Запасные части ЧТЗ Запасные части ЧТЗ
Махачкала
Например:
Актобе
Алдан
или
Выбрать автоматически
Актобе
Алдан
Алматы
Алчевск
Архангельск
Астана
Астрахань
Атырау
Баку
Балашиха
Барнаул
Белгород
Бердянск
Бишкек
Владивосток
Владикавказ
Воркута
Воронеж
Горловка
Грозный
Донецк
Екатеринбург
Иваново
Ижевск
Иркутск
Казань
Калининград
Каменск-Уральский
Караганда
Каховка
Кемерово
Киров
Комсомольск-на-Амуре
Костанай
Краснодар
Красноярск
Красный луч
Ленск
Луганск
Магадан
Магнитогорск
Макеевка
Махачкала
Мелитополь
Минск
Мирный (Якутия)
Москва
Мурманск
Нерюнгри
Нижневартовск
Нижний Новгород
Нижний Тагил
Новая каховка
Новокузнецк
Новосибирск
Новый Уренгой
Норильск
Ноябрьск
Нур-Султан
Омск
Оренбург
Ош
Павлодар
Пермь
Петрозаводск
Петропавловск
Петропавловск-Камчатский
Псков
Ростов-на-Дону
Салехард
Самара
Санкт-Петербург
Саратов
Севастополь
Семей
Симферополь
Сочи
Ставрополь
Сургут
Сыктывкар
Тараз
Ташкент
Токмак
Томск
Тында
Тюмень
Ульяновск
Усинск
Усть-Каменогорск
Уфа
Хабаровск
Ханты-Мансийск
Херсон
Челябинск
Чита
Шымкент
Экибастуз
Энергодар
Южно-Сахалинск
Якутск
Ваш город
Махачкала
Войти
Запасные части к тракторам на одном сайте
+7 (932) 303-00-10
+7 (932) 303-00-10
г. Махачкала, Индустриальный пер., д. 5
Пн-Пт: 9:30-18:30 Cб-Вс: Выходной
Отправить заявку


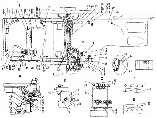
Гидросистема трубоукладчика на ТР20 и ТР12


/
с НДС 20%
Описание
Гидросистема трубоукладчика ТР20 и ТР12
Поз.ОбозначениеНаименованиеКол-во
1700-46-2141Рукав1
2700-41-2223СПХомут2
350-26-270СПТруба1
4700-40-7341Прокладка2
5М12-6gх30.58.019Болт 6
612 0Т65Г 09Шайба 25
7700-40-3487Рукав1
8700-41-2228СПХомут4
950-26-395СПФильтр гидросистемы1
10Болт полый 700-41-33063
11Кольцо 4091010
1250-26-273СПТруба2
13700-40-5968Рукав2
1418-26-320СПХомут4
1550-26-206Скоба1
1650-26-207Планка1
17М10-6gх20.58.019Болт 9
1810ОТ65Г09Шайба 9
1948-26-164Труба1
2050-26-484-08СП; 50-26-484-09СПРукав 124
21700-41-2272СПТройник4
2250-26-485-10СП; 50-26-485-11СПРукав 165
23ММ-126Д; ММ-126Д-Т; ММ-126Д-ЭДатчик аварийного давления 1
2450-26-485-04СП; 50-26-485-05СПРукав 161
25261115Хомут4
26Прижим 50-60-23012
2742212Муфточка8
28М12-6gх45.58.019Болт 4
2950-26-70Переходник2
3048-28-228СПТруба1
3148-26-257СПТруба1
32700-40-6929Прокладка1
3348-26-247-02СПРычаг1
3448-26-247-01СПРычаг1
3548-26-247СПРычаг1
3648-26-239СП; 48-26-239-01СПГидрораспределитель1
37700-41-3567Штуцер проходной5
38Болт М24х65.110.0198
3924Т 65Г 09Шайба 8
4048-26-86СПУстановка привода насоса1
4150-26-404-02СПБаки гидросистемы1
4248-26-101Патрубок1
43700-40-7790Прокладка1
44700-41-3413Штуцер1
45Кольцо 700-40-21351
4650-26-485-06СП; 50-26-485-07СПРукав 16 Рукав1
4750-26-271СПТруба1
48700-46-2235Рукав1
4937-26-139СПХомут2
50M8-6gx25.88.35.019Болт 4
518Т 65Г 09Шайба 6
52Муфта 21-56-441
53Кольцо 700-40-74151
54700-28-2176Болт2
5580-26-131СПТруба1
56М12-6gх25.58.019Болт 12
573135-1Шайба6
5850-26-272СППластина2
5950-26-258Угольник1
6048-26-262СПГидроузел1
6148-26-264СПТруба1
6248-26-265СПКронштейн2
63700-42-2401Пробка8
64Рукоятка 13310СП3
65700-46-2165Рукав1
Гидросистема трубоукладчика