Запасные части ЧТЗ Запасные части ЧТЗ
Махачкала
Например:
Актобе
Алдан
или
Выбрать автоматически
Актобе
Алдан
Алматы
Алчевск
Архангельск
Астана
Астрахань
Атырау
Баку
Балашиха
Барнаул
Белгород
Бердянск
Бишкек
Владивосток
Владикавказ
Воркута
Воронеж
Горловка
Грозный
Донецк
Екатеринбург
Иваново
Ижевск
Иркутск
Казань
Калининград
Каменск-Уральский
Караганда
Каховка
Кемерово
Киров
Комсомольск-на-Амуре
Костанай
Краснодар
Красноярск
Красный луч
Ленск
Луганск
Магадан
Магнитогорск
Макеевка
Махачкала
Мелитополь
Минск
Мирный (Якутия)
Москва
Мурманск
Нерюнгри
Нижневартовск
Нижний Новгород
Нижний Тагил
Новая каховка
Новокузнецк
Новосибирск
Новый Уренгой
Норильск
Ноябрьск
Нур-Султан
Омск
Оренбург
Ош
Павлодар
Пермь
Петрозаводск
Петропавловск
Петропавловск-Камчатский
Псков
Ростов-на-Дону
Салехард
Самара
Санкт-Петербург
Саратов
Севастополь
Семей
Симферополь
Сочи
Ставрополь
Сургут
Сыктывкар
Тараз
Ташкент
Токмак
Томск
Тында
Тюмень
Ульяновск
Усинск
Усть-Каменогорск
Уфа
Хабаровск
Ханты-Мансийск
Херсон
Челябинск
Чита
Шымкент
Экибастуз
Энергодар
Южно-Сахалинск
Якутск
Ваш город
Махачкала
Войти
Запасные части к тракторам на одном сайте
+7 (932) 303-00-10
+7 (932) 303-00-10
г. Махачкала, Индустриальный пер., д. 5
Пн-Пт: 9:30-18:30 Cб-Вс: Выходной
Отправить заявку


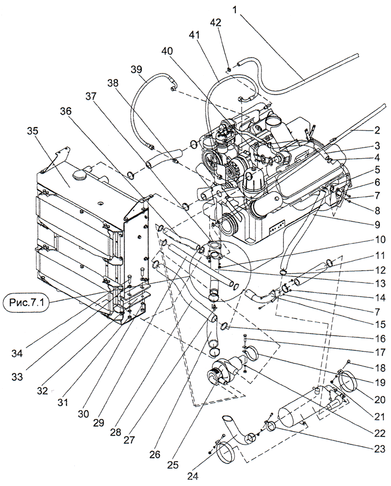
Система охлаждения и разогрева двигателя ПК46


/
с НДС 20%
Описание
ПК46.33.00.000 Система охлаждения и разогрева двигателя ПК46
Поз. Обозначение Наименование Кол. Масса
1 ПК46.33.00.001 Рукав 2 0,9
2 ПК46.33.00.001-01 Рукав 1 1,26
3 ПК46.33.00.001-03 Рукав 1 0,34
4 Хомут винтовой Н-20 2 0,005
5 КБ11.38.00.001 Прокладка 2 0,01
6 ПК46.33.00.040 Труба 1 0,7
7 Шайба 8.65Г.019 ГОСТ 6402-70 7 0,001
8 Болт M8-6g×20.58.019 (S13) ГОСТ 7798-70 7 0,014
9 ПК46.33.00.001-06 Рукав 1 0,54
10 027.13.22.309 Гайка 2 0,01
11 ПК46.33.00.001-07 Рукав 3 0,53
12 Хомут винтовой Н-28 12 0,016
13 КБ11.33.00.020 Труба 1 1,6
14 Гайка М8-6Н.5.019 (S13) ГОСТ 5915-70 3 0,005
15 ПК46.33.00.060 Труба 1 0,7
16 Хомут винтовой Н-44 4 0,004
17 Болт М10-6g×45.58.019 (S16) ГОСТ 7798-70 1 0,037
18 Болт М10-6g×30.58.019 (S16) ГОСТ 7798-70 2 0,031
19 ПК46.33.00.005 Хомут 1 0,17
20 027.36.11.142 Хомут 2 0,25
21 Гайка М10-6Н.5.019 (S16) ГОСТ 5915-70 3 0,01
22 Шайба 10.65Г.019 ГОСТ 6402-70 5 0,002
23 Хомут 4320-1015609 1 0,094
24 ПК46.33.00.070 Труба выхлопная 1 1,55
25 Подогреватель жидкостный дизельный ПЖД30Ж-1015006-40
ТУ 37.373.093-98
1 12,1
26 ПК46.33.00.006 Рукав 1 1,1
27 Краник сливной 353-1305010-А 1 0,009
28 ПК46.33.00.001-08 Рукав 1 1,2
29 ПК46.33.00.001-05 Рукав 1 0,46
30 Шайба 16.65Г.019 ГОСТ 6402-70 4 0,006
31 Гайка М16-6Н.5.019 (S24) ГОСТ 5915-70 4 0,037
32 ПК46.33.00.002 Прокладка 2 0,12
33 ПК46.33.00.007 Шайба 4 0,032
34 Болт M16-6g×50.66.019 (S24) ГОСТ 7798-70 4 0,11
35 ПК46.33.01.000 Блок радиаторов 1 130
36 ПК46.33.00.001-04 Рукав 1 0,31
37 ПК46.33.00.003 Прокладка 1 0,01
38 ПК46.42.10.002 Штуцер 1 0,14
39 См.табл
40 ПК46.33.00.050 Труба 1 0,58
41 См. табл
42 Хомут винтовой Н-12 4 0,006
43 См.табл
44 См. табл


Рис. 7.1. Система охлаждения и разогрева двигателя ПК46

ПК46.33.00.000
39 РИД 13.7,5.1400.0.18.54-90°/54-90°.
М22×1,5/М22×1,5-У1 ТУ 3148- 001-20871731-94
1 1,2
41 РИД 13.7,5.950.0,18.54/54-90°.
М22×1,5/М22×1,5-У1 ТУ 3148-001-20871731-94
1 0,9
43 - - -
44 - - -
ПК46.33.00.000-01
39 - . -
41 - - -
43 ПК46.33.00.008 Заглушка 1 0,027
44 027.08.00.002 Гайка 1 0,01













Система охлаждения и разогрева двигателя